当前位置:首页 > 新闻资讯 > FPGA之家动态 >

Xilinx FPGA编程技巧之常用时序约束详解

时间:2024-07-08      来源:网络搜集 关于我们 0

大侠好,欢迎来到FPGA技术江湖,江湖偌大,相见即是缘分。大侠可以关注FPGA技术江湖,在“闯荡江湖”、"行侠仗义"栏里获取其他感兴趣的资源,或者一起煮酒言欢。

今天给大侠带来Xilinx FPGA编程技巧之常用时序约束详解,话不多说,上货。

基本的约束方法

为了保证成功的设计,所有路径的时序要求必须能够让执行工具获取。最普遍的三种路径以及异常路径为:

输入路径(Input Path),使用输入约束寄存器到寄存器路径(Register-to-Register Path),使用周期约束输出路径(Output Path),使用输出约束具体的异常路径(Path specific exceptions),使用虚假路径、多周期路径约束

一、  输入约束Input Constraint

OFFSET IN约束限定了输入数据和输入时钟边沿的关系。

1. 系统同步输入约束System Synchronous Input

在系统同步接口中,同一个系统时钟既传输数据也获取数据。考虑到板子路径延时和时钟抖动,接口的操作频率不能太高。

图1‑1 简化的系统同步输入SDR接口电路图

图1‑2  SDR系统同步输入时序

上述时序的约束可写为:

NET "SysClk" TNM_NET = "SysClk";

TIMESPEC "TS_SysClk" = PERIOD "SysClk" 5 ns HIGH 50%;

OFFSET = IN 5 ns VALID 5 ns BEFORE "SysClk";

2. 源同步输入约束Source Synchronous Input

  在源同步接口中,时钟是在源设备中和数据一起产生并传输。

图1‑3 简化的源同步输入DDR接口电路

图1‑4 DDR源同步输入时序

上图的时序约束可写为:

NET "SysClk" TNM_NET = "SysClk";

TIMESPEC "TS_SysClk" = PERIOD "SysClk" 5 ns HIGH 50%;

OFFSET = IN 1.25 ns VALID 2.5 ns BEFORE "SysClk" RISING;

OFFSET = IN 1.25 ns VALID 2.5 ns BEFORE "SysClk" FALLING;

二、寄存器到寄存器约束Register-to-Register Constraint

寄存器到寄存器约束往往指的是周期约束,周期约束的覆盖范围包括:

覆盖了时钟域的时序要求覆盖了同步数据在内部寄存器之间的传输分析一个单独的时钟域内的路径分析相关时钟域间的所有路径考虑不同时钟域间的所有频率、相位、不确定性差异

1. 使用DLL, DCM, PLL, and MMCM等时钟器件自动确定同步关系

使用这一类时钟IP Core,只需指定它们的输入时钟约束,器件将自动的根据用户生成IP Core时指定的参数约束相关输出,不需用户手动干预。

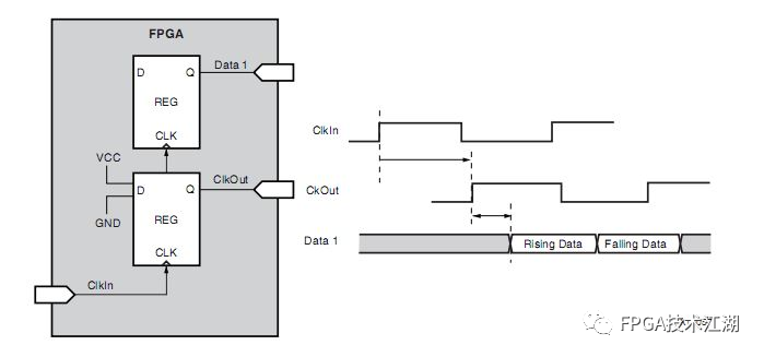
图1‑5 输入到DCM的时钟约束

上图的时序约束可写为:

NET “ClkIn” TNM_NET = “ClkIn”;

TIMESPEC “TS_ClkIn” = PERIOD “ClkIn” 5 ns HIGH 50%;

2. 手动约束相关联的时钟域

在某些情况下,工具并不能自动确定同步的时钟域之间的时钟时序关系,这个时候需要手动约束。例如:有两个有相位关系的时钟从不同的引脚进入FPGA器件,这个时候需要手动约束这两个时钟。

图1‑6 通过两个不的外部引脚进入FPGA的相关时钟

上图的时序约束可写为:

NET“Clk1X"TNM_NET=“Clk1X";

NET“Clk2X180"TNM_NET=“Clk2X180";

TIMESPEC"TS_Clk1X"=PERIOD"Clk1X 7 5ns;

TIMESPEC"TS_Clk2X180"=PERIOD"Clk2X180“TS_Clk1X/2PHAS2 +1.25ns;

3. 异步时钟域

异步时钟域的发送和接收时钟不依赖于频率或相位关系。因为时钟是不相关的,所以不可能确定出建立时间、保持时间和时钟的最终关系。因为这个原因,Xilinx推荐使用适当的异步设计技术来保证对数据的成功获取。Xilinx约束系统允许设计者在不需考虑源和目的时钟频率、相位的情况下约束数据路径的最大延时。

异步时钟域使用的约束方法的流程为:

为源寄存器定义时序组为目的寄存器定义时序组使用From-to和DATAPATHDELAY关键字定义寄存器组之间的最大延时

三、输出约束Output Constraint

输出时序约束约束的是从内部同步元件或寄存器到器件管脚的数据。

1. 系统同步输出约束System Synchronous Output Constraint

系统同步输出的简化模型如图所示,在系统同步输出接口中,传输和获取数据是基于同一个时钟的。

图1‑7 系统同步输出

其时序约束可写为:

NET "ClkIn" TNM_NET = "ClkIn";

OFFSET = OUT 5 ns AFTER "ClkIn";

2. 源同步输出约束Source Synchronous Output Constraint

在源同步输出接口中,时钟是重新产生的并且在某一FPGA时钟的驱动下和数据一起传输至下游器件。

图1‑8源 同步输出简化电路时序图

图1‑9 源同步例子时序图

上述举例的时序约束可写为:

NET “ClkIn” TNM_NET = “ClkIn”;

OFFSET = OUT AFTER “ClkIn” REFERENCE_PIN “ClkOut” RISING;

OFFSET = OUT AFTER “ClkIn” REFERENCE_PIN “ClkOut” FALLING;

3. 虚假路径约束False Path Constraint

令SRC_GRP为一组源寄存器,DST_GRP为一组目的寄存器,如果你确定SRC_GRP到DST_GRP之间的路径不会影响时序性能,那么可以将这一组路径约束为虚假路径,工具在进行时序分析的时候将会跳过对这组路径的时序分析。这种路径最常见于不同时钟域的寄存器数据传输,如下图:

图1‑10 虚假路径

其约束可写为:

NET "CLK1" TNM_NET = FFS "GRP_1";

NET "CLK2" TNM_NET = FFS "GRP_2";

TIMESPEC TS_Example = FROM "GRP_1" TO "GRP_2" TIG;

4. 多周期路径约束Multi-Cycle Path Constraint

在多周期路径里,令驱动时钟的周期为PERIOD,数据可以最大n*PERIOD的时间的从源同步元件传输到目的同步元件,这一约束降低工具的布线难度而又不会影响时序性能。这种约束通常用在有时钟使能控制的同步元件路径中。

图 1-11 时钟使能控制的寄存器路径

必须说明的是上图Enable信号的产生周期必须大于等于n*PERIOD,且每个Enable传输一个数据。假设上图的n=2,MC_GRP为时钟使能Enable控制的多周期同步元件组,则约束可写为:

NET "CLK1" TNM_NET = "CLK1";

TIMESPEC "TS_CLK1" = PERIOD "CLK1" 5 ns HIGH 50%;

NET "Enable" TNM_NET = FFS "MC_GRP";

TIMESPEC TS_Example = FROM "MC_GRP" TO "MC_GRP" TS_CLK1*2;

- THE END -

🍁

往期精选 

  

【免费】FPGA工程师人才招聘平台

FPGA人才招聘,企业HR,看过来!

系统设计精选 | 基于FPGA的实时图像边缘检测系统设计(附代码)

基于原语的千兆以太网RGMII接口设计

时序分析理论和timequest使用_中文电子版

求职面试 | FPGA或IC面试题最新汇总篇

资料汇总|FPGA软件安装包、书籍、源码、技术文档…(2024.01.06更新)

FPGA就业班,2024.02.26开班,新增课程内容不加价,高薪就业,线上线下同步!

文章来源于FPGA技术江湖,作者The last one

IC设计专属培训 从RTL到GDSII 大规模IC设计代码|数据|IP 协同管理

(西安、成都、南京、苏州、上海、合肥、杭州、深圳)

(五星级酒店、小规模免费培训,提供免费餐饮)


注明:本内容来源网络,不用于商业使用,禁止转载,如有侵权,请来信到邮箱:429562386ⓐqq.com 或联系本站客服处理,感谢配合!

用户登陆

    未注册用户登录后会自动为您创建账号

提交留言