当前位置:首页 > 新闻资讯 > FPGA之家动态 >

简易AM信号调制的FPGA实现过程简单讲解

时间:2024-07-28      来源:网络搜集 关于我们 0

欢迎FPGA工程师加入官方微信技术群

点击蓝字关注我们FPGA之家-中国最好最大的FPGA纯工程师社群

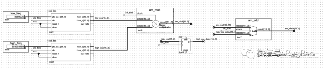
前几天,临危受命,帮几个初学者的学生写一个简易AM信号的FPGA实现,以帮助他们搭建一个相对完整的系统,测试他们的低速ADC,高速DAC,AGC控制等等模块。本文的FPGA代码已经经过上板测试,由于时间紧急没有保存图片,所以文章只有仿真图片。本文的Quartus项目资源已经放在网盘,公众号回复118可下载。首先,为什么是AM信号的调制过程,是因为在短时间情况下,AM信号的实现相对简单,而且上述提到的几个模块都可以得到使用和验证。因为FPGA的价格因素,做课设/比赛使用最多的还是Altera的Cyclone系列板。所以,本文使用Quartus II 13.1 作为Verilog代码综合实现工具。AM信号调制过程就不做过多介绍了,简单来说,就是基带信号和一个直流信号相加,然后与载波相乘。那么,在实现过程中,做了些许改变,先让基带信号与载波相乘,然后将截位后的信号与载波相加。如果想要实现更精细的AM信号调制(变更调制深度等参数),可以修改这个地方的先后顺序。AM公式表达如下:为直流信号,是基带信号,是载波信号。实现过程如上图,顶层文件使用BSF文件,更为直观。由上图可以看出,基带信号和载波信号是由NCO(DDS)产生,在上板验证中,低频部分的NCO被删去,由低速ADC采样外部信号替换这部分的低频信号。所以在刚开始搭建模块时,低速NCO输出信号位宽就兼容了低速ADC的16位位宽。根据资料1可得,Altera提供的NCO是根据32位输入信号phi_inc_i而输出对应的频率的正弦波。公式为:是NCO预设输出正弦波频率,是输入时钟频率,是NCO的相位精度。这里的设置是32位。NCO(DDS)的本质是ROM表,ROM表存储着正弦波的波形数据,相位精度代表波形数据的多少。根据phi_inc_i累加地址,ROM根据地址输出波形数据,最后数据计算如下。基带载波频率(MHz)0.110phi_inc_i8589935858993459然后让基带和载波信号相乘,使用LPM_MULT IP核,设置好位宽,数据类型设为“signed”,设置流水线(增加clock),延迟设为1,便于后续通过时序检查。相乘输出信号位宽为32位,保险起见我们只截取最高位的符号位,再截取低位的数据。但是经过上板测试和仿真,符号位实际上有很多位。当然,这部分可以将符号位进行优化,或者设置一个模块,根据输入的参数输出不一样的截位信号,相当于在调整调制深度。同时,将载波信号延迟一个周期,与乘法器延迟一周期的信号做好时序对齐,然后经过LPM_ADD_SUB IP核的加法运算;同样,LPM_ADD_SUB IP核设置好输入信号位宽,数据类型设为“signed”,设置流水线,延迟设为1。最后输出的信号就可以经过高速DAC输出。整个调制过程就结束了。仿真结果:最后思考,可以在加法器和乘法器增加一个enable端口,IP核可以增加这个输入信号;如果先加再乘,由于直流信号一般不会变动,使能信号可以等待每次低速ADC或低速NCO数值更新再拉高一次;乘法器也可以使用使能信号控制,这样的话性能可能没有变化,功耗或许可降低些。此外,使用VCS仿真NCO的nco.vo文件时,一直遇到一个问题,报错如下:大概是说NCO生成的4个hex文件有问题,但是使用modelsim就没这个问题了。有谁遇到这个问题,方便解答下?

欢迎FPGA、嵌入式、信号处理等工程师关注公众号

全国第一大FPGA微信技术群

欢迎大家加入全国FPGA微信技术群,这个群体拥有数万工程师、一群热爱技术的工程师,这里的FPGA工程师相互帮助,相互分享,技术氛围浓厚!赶紧叫上小伙伴一起加入吧!

用手指按住就可以加入FPGA全国技术群哦

FPGA之家元器件芯城

优势元器件服务,有需求请扫码联系群主:金娟 邮箱:293580331@qq.com 欢迎推荐给采购

ACTEL、AD部分优势订货(经营全系列):

XILINX、ALTERA优势现货或订货(经营全系列):

(以上器件为部分型号,更多型号请咨询群主金娟)

服务理念:FPGA之家元器件自营芯城,旨在方便工程师快速方便购买器件服务,经过数年竭诚服务,我们的客服遍布国内大型上市公司、军工科研单位、中小企业、最大的优势是强调服务至上的理念、并且做到快速交货、价格优惠!

直营品牌:Xilinx ALTERA ADI TI NXP ST E2V、镁光 等百余元器件品牌,尤其擅长欧美对华禁运器件,欢迎工程师朋友把我们推荐给采购或者亲自咨询我们!

我们将一如既往提供业内最佳服务!

FPGA技术群官方鸣谢品牌:Xilinx、 intel(Altera)、microsemi(,Actel)、LattIC e,Vantis,Quicklogic,Lucent等


注明:本内容来源网络,不用于商业使用,禁止转载,如有侵权,请来信到邮箱:429562386ⓐqq.com 或联系本站客服处理,感谢配合!

用户登陆

    未注册用户登录后会自动为您创建账号

提交留言